微信:
RC硬面齒輪減速機產品簡介
RC硬面齒輪電機接線方位圖
RCX..硬面齒輪減速機安裝方位圖
RCXF..硬面齒輪減速機安裝方位圖
RC..硬面齒輪減速機安裝方位圖
RCF..硬面齒輪減速機安裝方位圖
RC..F硬面齒輪減速機安裝方位圖
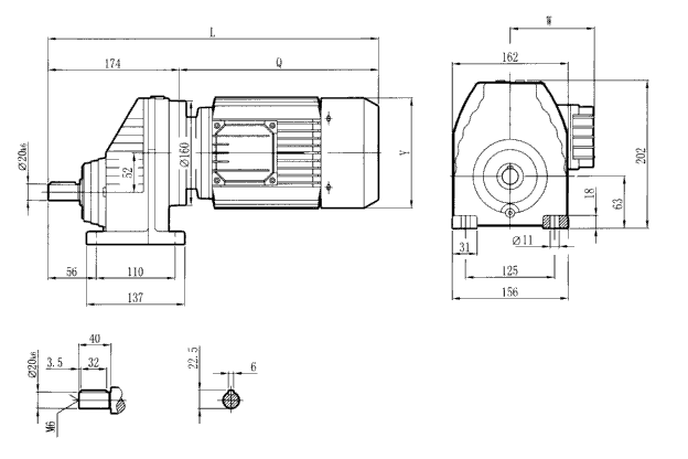
RCX57..硬齒輪減速機安裝尺寸圖
RCXF57..型硬齒輪減速機安裝尺寸圖
中研技術有限公司(清華紫光)
電話:0576-8683829 傳真:0576-8683856 地址:浙江省溫嶺市箬橫鎮(zhèn)廣場路
減速機 減速機超市 Reducer - Gearbox