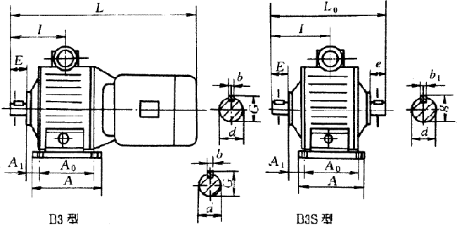
XB系列鋼球式無級變速器B3型(無端蓋法蘭有地腳)和B3S型(雙軸有地腳)外形安裝尺寸

|
機座號 |
安裝尺寸 |
輸出軸尺寸 |
輸入軸尺寸 |
外形尺寸 |
|
a |
A0 |
A1 |
B0 |
B1 |
Z |
S |
d
(k6) |
b |
G |
E |
d1
(k6) |
b1 |
g |
e |
A |
B |
I |
W |
H |
L0 |
L |
|
100 |
100 |
130 |
25 |
130 |
90 |
15 |
12 |
19 |
6 |
22 |
35 |
19 |
6 |
22 |
35 |
165 |
165 |
125 |
118 |
210 |
250 |
425 |
|
112 |
112 |
130 |
25 |
130 |
90 |
17 |
12 |
24 |
8 |
28 |
50 |
24 |
8 |
28 |
50 |
165 |
165 |
150 |
120 |
225 |
300 |
425 |
|
132 |
132 |
160 |
25 |
180 |
120 |
20 |
12 |
24 |
8 |
28 |
50 |
24 |
8 |
28 |
50 |
190 |
210 |
155 |
140 |
280 |
310 |
480 |
|
160 |
160 |
190 |
25 |
225 |
150 |
22 |
15 |
28 |
8 |
32 |
50 |
28 |
8 |
32 |
50 |
230 |
265 |
170 |
170 |
320 |
340 |
565 |
|
180 |
180 |
190 |
30 |
250 |
170 |
24 |
15 |
32 |
10 |
36 |
55 |
32 |
10 |
36 |
55 |
230 |
290 |
180 |
190 |
360 |
360 |
600 |
|
200 |
200 |
190 |
40 |
300 |
240 |
27 |
19 |
38 |
10 |
42 |
55 |
38 |
10 |
42 |
55 |
230 |
350 |
190 |
210 |
390 |
380 |
640 |
|
225 |
225 |
220 |
40 |
350 |
280 |
27 |
19 |
42 |
12 |
46 |
70 |
42 |
12 |
46 |
70 |
280 |
400 |
220 |
230 |
420 |
440 |
765 |
|
250 |
250 |
250 |
50 |
400 |
320 |
33 |
24 |
55 |
16 |
60 |
100 |
55 |
16 |
60 |
100 |
320 |
460 |
275 |
280 |
480 |
550 |
815 |
|
280 |
280 |
280 |
50 |
450 |
370 |
38 |
24 |
55 |
16 |
60 |
100 |
55 |
16 |
60 |
100 |
350 |
510 |
290 |
310 |
540 |
580 |
1000 |
|
315 |
315 |
320 |
60 |
500 |
540 |
45 |
28 |
65 |
18 |
71 |
110 |
65 |
18 |
71 |
110 |
400 |
565 |
330 |
350 |
600 |
660 |
1080 |
|
60 |
60 |
60 |
10 |
60 |
40 |
10 |
10 |
16 |
5 |
19 |
25 |
16 |
5 |
19 |
25 |
80 |
80 |
65 |
90 |
120 |
130 |
250 |